تأسست شركة جيانغسو شينغتاي للتصنيع الهيدروليكي المحدودة عام 1992، وتقع في مدينة تايتشو بمقاطعة جيانغسو بالصين. تتخصص الشركة في تصنيع آلات ضغط الحبال السلكية الهيدروليكية، وآلات التلدين والتناقص للحبال السلكية، والأكمام المصنوعة من الألومنيوم، ومشابك الرفع. تتمتع شركة Xingtai Hydraulic بمرافق إنتاج متقدمة، وقدرات تقنية قوية، ومعدات اختبار موثوقة، ونظام شامل لإدارة الجودة.
تُشكل مكونات التأرجح لآلات Xingtai الهيدروليكية من سبائك الفولاذ عالية القوة. ويُصنع جسم الماكينة من كتلة معدنية واحدة، مما يضمن السلامة الهيكلية وعمر الخدمة الطويل. تستخدم أنظمتنا الهيدروليكية نظام إمداد زيت المضخة ثنائي الضغط، والذي يتيح حركة سريعة لأعلى ولأسفل مع ضمان عملية ضغط سلسة. ويسهم هذا التصميم في تحسين جودة الضغط وكفاءة الإنتاج بشكل كبير.
تم تصدير آلات شينغتاي الهيدروليكية إلى العديد من البلدان، بما في ذلك المملكة المتحدة، أستراليا، هولندا، لاتفيا، ماليزيا، تايلاند، الهند، روسيا، بوتسوانا، بولندا، وغيرها.
استرشاداً بفلسفة "الجودة العالية، السعر التنافسي، والالتزام الدائم"، نسعى جاهدين لتلبية احتياجات عملائنا وتزويدهم بأفضل خدمة. ونواصل التزامنا بخدمة العملاء الحاليين والجدد بنفس المستوى من التميز، بينما نعمل معًا لبناء مستقبل ناجح.
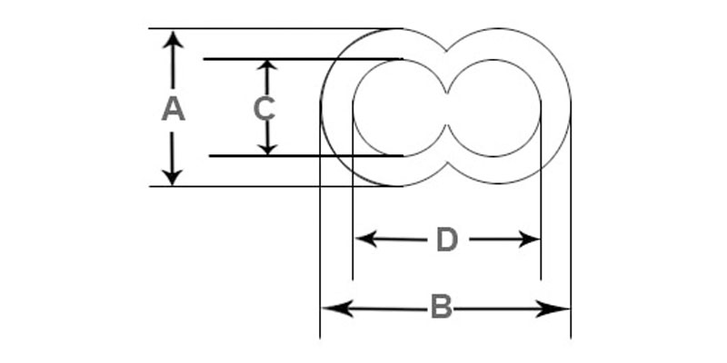
| وضع | قطر الحبل السلكي (مم) | أبعاد غلاف الألومنيوم (مم) | الطول (مم) | الوزن (جم/قطعة) | |||
| أ | ب | ج | د | ||||
| XTH-1/16" | 1.6 | 4.37 | 6.35 | 1.96 | 4 | 9.6 | 0.41 |
| XTH-5/64" | 2 | 5.56 | 7.95 | 2.39 | 4.8 | 9.6 | 0.73 |
| XTH-3/32" | 2.4 | 7.06 | 10.26 | 3.3 | 6.5 | 12.7 | 1.45 |
| XTH-1/8" | 3.2 | 8.71 | 12.7 | 3.96 | 7.9 | 15.9 | 2.9 |
| XTH-5/32" | 4 | 9.53 | 14.3 | 4.75 | 9.5 | 17.5 | 3.63 |
| XTH-3/16" | 5.1 | 11.2 | 16.9 | 5.66 | 11.4 | 25.4 | 7.17 |
| XTH-7/32" | 5.6 | 12.7 | 19.1 | 6.35 | 12.7 | 27 | 10.07 |
| XTH-1/4" | 6.4 | 13.61 | 20.8 | 7.37 | 14.6 | 28.6 | 11.43 |
| XTH-9/32" | 7.1 | 14.27 | 22.35 | 7.92 | 16 | 30.2 | 12.81 |
| XTH-5/16" | 8 | 17.45 | 26.19 | 9.53 | 18.3 | 31.7 | 20.41 |
| XTH-3/8" | 9.6 | 19.05 | 29.36 | 11.13 | 21.4 | 36.5 | 29.53 |
| XTH-7/16" | 11.1 | 23.8 | 36.5 | 17.7 | 25.4 | 42.8 | 53.53 |
غلاف الساعة الرملية المصنوع من الألومنيوم عبارة عن تركيب حبل سلكي مصمم بدقة، ويسمى أيضًا حلقات الساعة الرملية، مصنوع من الألومنيوم غير الملحوم عن طريق البثق والتصنيع للحصول على أداء موثوق. شكلها المميز على شكل الساعة الرملية أكسبها هذا الاسم، حيث تم تحسينها للضغط اليدوي باستخدام الأدوات الميكانيكية —لا حاجة لمكابس هيدروليكية— مما يجعل التثبيت سريعًا وسهل الوصول إليه.
تم تصميمه للألمنيوم أو الفولاذ عالي الشد/الخفيف أو الحبال السلكية المجلفنة (تجنب الاقتران بالفولاذ المقاوم للصدأ؛ استخدم أكمامًا نحاسية مطلية بالزنك بدلاً من ذلك)، يتطابق كل حجم مع أقطار أسلاك محددة للحصول على ملاءمة مريحة. عند تأرجحه بشكل صحيح باستخدام كشتبان (لتوزيع القوة بالتساوي وتقليل تآكل السلك)، فإنه يوفر كفاءة إنهاء بنسبة 90%، مما يخلق اتصالاً دائمًا وآمنًا.
تم تأكسدها لمقاومة التآكل، وتزدهر في البيئات البحرية والزراعية والبناء وتجهيزات المسرح —حتى مع التعرض للمياه المالحة. يحافظ هيكلها المصنوع من الألومنيوم خفيف الوزن والقوي على انخفاض مستوى التجميعات، مما يتجنب عرقلة الرافعات أو البكرات.
تتوفر أحجام مخصصة، وهي تلبي معايير ISO 9001 وCE. من أجل السلامة، اتبع إرشادات التأرجح الخاصة بالشركة المصنعة وتحقق باستخدام مقياس الذهاب/عدم الذهاب، خاصة للرفع الحرج. خيار متين وفعال من حيث التكلفة لربط الحبال السلكية وإنهائها.
English
русский
Français
Español
Português
Deutsch
عربى
Türk




