تأسست شركة جيانغسو شينغتاي للتصنيع الهيدروليكي المحدودة عام 1992، وتقع في مدينة تايتشو بمقاطعة جيانغسو بالصين. تتخصص الشركة في تصنيع آلات ضغط الحبال السلكية الهيدروليكية، وآلات التلدين والتناقص للحبال السلكية، والأكمام المصنوعة من الألومنيوم، ومشابك الرفع. تتمتع شركة Xingtai Hydraulic بمرافق إنتاج متقدمة، وقدرات تقنية قوية، ومعدات اختبار موثوقة، ونظام شامل لإدارة الجودة.
تُشكل مكونات التأرجح لآلات Xingtai الهيدروليكية من سبائك الفولاذ عالية القوة. ويُصنع جسم الماكينة من كتلة معدنية واحدة، مما يضمن السلامة الهيكلية وعمر الخدمة الطويل. تستخدم أنظمتنا الهيدروليكية نظام إمداد زيت المضخة ثنائي الضغط، والذي يتيح حركة سريعة لأعلى ولأسفل مع ضمان عملية ضغط سلسة. ويسهم هذا التصميم في تحسين جودة الضغط وكفاءة الإنتاج بشكل كبير.
تم تصدير آلات شينغتاي الهيدروليكية إلى العديد من البلدان، بما في ذلك المملكة المتحدة، أستراليا، هولندا، لاتفيا، ماليزيا، تايلاند، الهند، روسيا، بوتسوانا، بولندا، وغيرها.
استرشاداً بفلسفة "الجودة العالية، السعر التنافسي، والالتزام الدائم"، نسعى جاهدين لتلبية احتياجات عملائنا وتزويدهم بأفضل خدمة. ونواصل التزامنا بخدمة العملاء الحاليين والجدد بنفس المستوى من التميز، بينما نعمل معًا لبناء مستقبل ناجح.
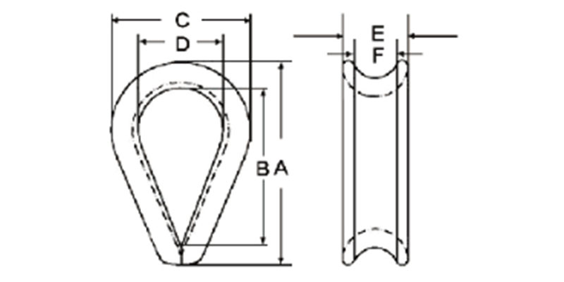
| الحجم (مم) | الأبعاد(مم) | الوزن/الوزن لكل قطعة (كجم) | |||||
| أ | ب | ج | د | هـ | ف | ||
| 3 | 28 | 19 | 18.5 | 12 | 6 | 3 | 0.5 |
| 4 | 30 | 21 | 20.5 | 13 | 7 | 4 | 0.8 |
| 5 | 33 | 23 | 22.5 | 14 | 8 | 5 | 1 |
| 6 | 39 | 26 | 27 | 16 | 10 | 6 | 1.6 |
| 7 | 43 | 30 | 30 | 18 | 11 | 7 | 1.9 |
| 8 | 48 | 32 | 33 | 20 | 12 | 8 | 3 |
| 10 | 58 | 38 | 39 | 24 | 14 | 10 | 4.7 |
| 12 | 69 | 45 | 47 | 28 | 17 | 12 | 6.8 |
| 13 | 73 | 48 | 50 | 30 | 18 | 13 | 8 |
| 14 | 77 | 51 | 53 | 32 | 19 | 14 | 10 |
| 16 | 88 | 58 | 60 | 36 | 22 | 16 | 14.5 |
| 17 | 95 | 61 | 65 | 38 | 25 | 17 | 18 |
| 18 | 100 | 64 | 68 | 40 | 26 | 18 | 20 |
| 20 | 113 | 72 | 75 | 45 | 28 | 20 | 29 |
| 22 | 123 | 80 | 82 | 50 | 30 | 22 | 32 |
| 24 | 135 | 90 | 92 | 56 | 34 | 24 | 47 |
| 26 | 145 | 99 | 100 | 62 | 36 | 26 | 59 |
| 28 | 162 | 112 | 110 | 70 | 38 | 28 | 80 |
| 30 | 175 | 120 | 120 | 75 | 42 | 30 | 110 |
تعتبر كشتبانات الحبال السلكية عبارة عن تركيبات صغيرة ومتينة مصممة لتعزيز عيون (حلقات) الحبال السلكية، ومنع التآكل والالتواء والفشل المبكر في نقاط الاتصال. مصنوعة من مواد مقاومة للتآكل مثل الفولاذ المجلفن أو الفولاذ المقاوم للصدأ أو الألومنيوم، وهي مناسبة للبيئات الداخلية والخارجية والبحرية والصناعية.
الوظائف الأساسية
منع التآكل: فهي تخلق سطحًا داخليًا أملسًا وصلبًا لعين الحبل، مما يتجنب الاحتكاك المباشر بين الحبل والأجهزة (على سبيل المثال، الأغلال والخطافات) التي تسبب التآكل.
الحفاظ على سلامة الحبل: من خلال الحفاظ على الشكل الطبيعي للحبل، تتوقف الكشتبانات عن الالتواء أو السحق —وهي مشاكل شائعة تضعف قوة الحبل بمرور الوقت.
تعزيز سلامة الحمل: فهي توزع التوتر بالتساوي عبر العين، مما يضمن أن الحبل يتعامل مع الأحمال المقدرة دون تركيز الإجهاد عند نقاط الاتصال.
الميزات والتطبيقات الرئيسية
خيارات المواد: الفولاذ المجلفن للاستخدام العام، والفولاذ المقاوم للصدأ لإعدادات المياه المالحة/الرطبة، والألمنيوم لتلبية الاحتياجات خفيفة الوزن.
مطابقة الحجم: متوفر بأحجام (على سبيل المثال، 1/8” إلى 1”) لتناسب أقطار محددة من الحبال السلكية —اقترن دائمًا بالحجم الصحيح للحصول على الأداء الأمثل.
الاستخدامات الشائعة: مثالي لمعدات الرفع، والتجهيزات البحرية، والبناء، والزراعة، ومشاريع الأعمال اليدوية (مثل تأمين أرصفة القوارب، وتعليق التركيبات الثقيلة).
من السهل تركيبها باستخدام مشابك أو أدوات تثبيت الحبال السلكية، حيث تعمل هذه الكشتبانات على إطالة عمر الحبل وتقليل مخاطر السلامة، مما يجعلها إضافة فعالة من حيث التكلفة لأي إعداد للحبال السلكية.
English
русский
Français
Español
Português
Deutsch
عربى
Türk




